Тип
Насос с сухим ротором в блочном исполнении с фланцевым соединением
Применение
Для перекачивания холодной и горячей воды (по VDI 2035) без абразивных включений в системах отопления, кондиционирования и охлаждения. Гарантия 2 года.
Тип
Насос с сухим ротором в блочном исполнении с фланцевым соединением
Применение
Для перекачивания холодной и горячей воды (по VDI 2035) без абразивных включений в системах отопления, кондиционирования и охлаждения
Обозначение
| Пример | BL 40/160-4/2 |
| BL | Блочный насос |
| 40 | Номинальный диаметр DN подсоединения к трубопроводу (напорный штуцер) |
| 160 | Номинальный диаметр рабочего колеса |
| 4 | Номинальная мощность мотора P2 в кВт |
| 2 | Число полюсов |
Особенности/преимущества продукции
- Низкие эксплуатационные затраты благодаря высокому КПД
- Высокая степень защиты от коррозии благодаря катафорезному покрытию литых компонентов.
- В серийном исполнении в корпусе двигателя предусмотрены отверстия для выхода конденсата
- Всегда и везде доступные стандартные двигатели (в соответствии со спецификацией Wilo) и скользящие торцевые уплотнения
- Удобство пользования благодаря соответствию рабочих характеристик и основных размеров EN 733 (DIN для стандартных насосов)
Технические характеристики
- Минимальный индекс эффективности (MEI) ≥ 0,4
- Допустимый диапазон температур от -20° C до +140° C
- Подключение к сети 3~400 В, 50 Гц (другие по запросу)
- Класс защиты IP 55
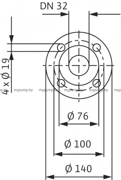
- Номинальный диаметр от DN 32 до DN 125
- Макс. рабочее давление 16 бар (в качестве опции 25 бар по запросу)
Описание/конструкция
Одноступенчатый низконапорный центробежный насос в блочном исполнении с аксиальным всасывающим патрубком и радиально расположенным напорным патрубком со следующими элементами:
- Скользящее торцевое уплотнение
- Фланцевое соединение с патрубком для замера давления R 1/8
- Соединительный элемент
- Муфта
- Мотор согласно норме IEC
Материалы
- Корпус насоса и соединительный элемент: Стандартное исполнение: EN?GJL?250;
В качестве опции: чугун с шаровидным графитом EN?GJS?400?18?LT - Рабочее колесо: Стандартное исполнение: EN?GJL?200;
Специальное исполнение: бронза G?CuSn 10 - Вал: 1.4122
- Скользящее торцевое уплотнение: AQEGG;
другие скользящие торцевые уплотнения по запросу
Объем поставки
- Насос
- Инструкция по монтажу и эксплуатации
Опции
- Вариант L1 с рабочим колесом из бронзы (за отдельную плату)
- Вариант H1 с корпусом из чугуна с шаровидным графитом (за отдельную плату)
- Моторы (≤ 5,5) класса эффективности IE3, другие напряжения и частоты, а также допуск ATEX – по запросу
Принадлежности
- Консоли для монтажа на фундаменте
- Термодатчик, устройство отключения терморезистора с положительным температурным коэффициентом
- Моторы специального исполнения
- Скользящие торцевые уплотнения специального исполнения
- Системы регулирования SC-HVAC, CC-HVAC, VR-HVAC и приборы управления
Общие указания – директивы ErP (экологический дизайн)
- Базовое значение MEI для насосов с оптимальным КПД ≥ 0,70.
- КПД насоса с откорректированным рабочим колесом, как правило, ниже КПД насоса с полным диаметром рабочего колеса. За счет корректировки рабочего колеса насос настраивается на определенную рабочую точку, в результате чего снижается энергопотребление. Индекс минимальной эффективности (MEI) относится к полному диаметру рабочего колеса.
- При различных рабочих точках данный насос может работать эффективнее и экономичнее, если, например, управление его работой осуществляется путем регулирования переменной частоты вращения, благодаря которому насос адаптируется к характеристикам соответствующей системы.
- Информацию по базовому значению эффективности см. на интернет-странице www.europump.org/efficiencycharts.
- Pumps with a power consumption P>150 kW or a flow rate of QBEP<6 m3/h are excluded from the ErP directive and thus do not have MEI values
-
Основные:
- Wilo
- Германия
- г.Минск, пер.Липковский, д.32
- Отопление, Кондиционирование, Охлаждение
-
Электрика:
- 3~400 В, 50 Гц
- 3
- 2900
- IP 55
-
Гидравлические:
- 30
- 26
- 16
- Охлаждающая и холодная вода, Водогликолевая смесь
- -20...+140
-
Габариты и Материалы:
- 61
- Cерый чугун (EN-GJL-250)
- Нержавеющая сталь (EN 1.4122)
- Cерый чугун (EN-GJL-200)
- AQEGG
-
Подсоединение к трубопроводу:
- Фланцевое DN 50
- Фланцевое DN 32
- ⅛
- Пока нет отзывов
Все технические характеристики предоставлены официальными источниками заводов-производителей и носят ознакомительный характер. Для получения более полной и точной информации просим обращаться к нашим специалистам.
info@mypump.by






