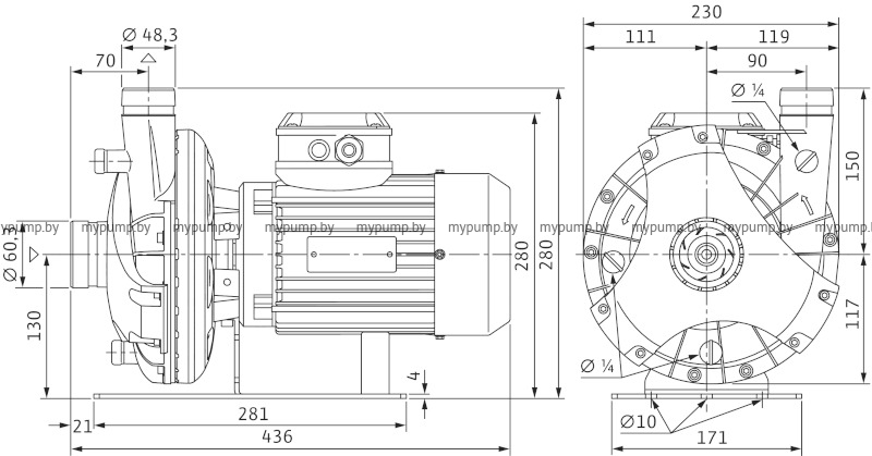
Одноступенчатый низконапорный центробежный насос в блочном исполнении с аксиальным всасывающим патрубком и радиально расположенным напорным патрубком.
Характеристики товара
-
Основные:
- Wilo
- Германия
- г.Минск, пер.Липковский, д.32
- Отопление, Кондиционирование, Охлаждение
-
Электрика:
- 3~400 В, 50 Гц
- 1,5
- 2900
- C
- IP 55
-
Гидравлические:
- 25
- 81
- 6,5
- Охлаждающая и холодная вода, Водогликолевая смесь
- -15...+60
-
Габариты и Материалы:
- 436
- 19
- PA 6.6 50% GF
- X30Cr13
- PA-GF30
- BQEGG
-
Подсоединение к трубопроводу:
- Соединение Victaulic
- M20 PG (60,3/48,3мм)
- Пока нет отзывов
Все технические характеристики предоставлены официальными источниками заводов-производителей и носят ознакомительный характер. Для получения более полной и точной информации просим обращаться к нашим специалистам.
info@mypump.by


