Циркуляционный насос с мокрым ротором, с резьбовым или фланцевым соединением.
Характеристики товара
-
Основные:
- Wilo
- Германия
- г.Минск, пер.Липковский, д.32
- Отопление
-
Электрика:
- 1~230 V, 50 Hz
- 0,105 / 0,16 / 0,265
- 1750 / 2380 / 2680
-
Гидравлические:
- 13
- 4
- 10
- Вода систем отопления, Водогликолевая смесь
- от ?20 °C до +110 °C, кратковременно (2 ч) до +130 °C
-
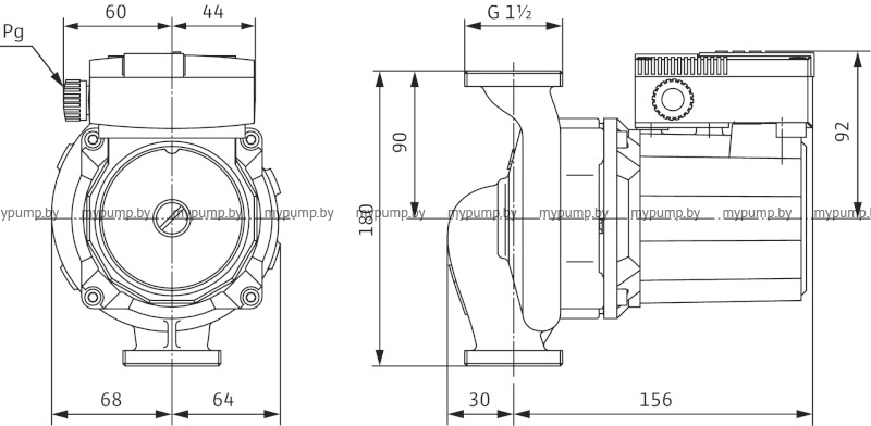
Габариты и Материалы:
- 180
- 5,5
- Серый чугун
- Нержавеющая сталь
- Синтетический материал
- Металлографит
-
Подсоединение к трубопроводу:
- Резьбовое, Rp 1
- G1½
- Пока нет отзывов
Все технические характеристики предоставлены официальными источниками заводов-производителей и носят ознакомительный характер. Для получения более полной и точной информации просим обращаться к нашим специалистам.
info@mypump.by


