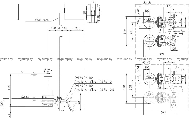
Погружной насос для отвода сточных вод для повторно-кратковременного режима эксплуатации (гидравлика изготовлена из серого чугуна, двигатель — из нержавеющей стали), для стационарной и мобильной установки в погруженном и непогруженном состоянии.
Характеристики товара
-
Основные:
- Wilo
- Германия
- г.Минск, пер.Липковский, д.32
- Дренажный, Фекальный
- Погружной
- Нет
- Отвод сточных вод
- Нет
-
Габариты и Материалы:
- 10
- DN 50/Rp 2
- янв.01
- EN-GJL 250
- 46
- SiC/SiC
-
Гидравлические:
- Вода, Грязная вода, Вода с фекалиями
- 28
- 40
- 20
- +3...+40
- 3
-
Электрика:
- 3~400 В, 50 Гц
- 3,9
- 2900
- 50
- IP 68
- Пока нет отзывов
Все технические характеристики предоставлены официальными источниками заводов-производителей и носят ознакомительный характер. Для получения более полной и точной информации просим обращаться к нашим специалистам.
info@mypump.by







