Установка повышения давления с 2 параллельно включенными, нормальновсасывающими высоконапорными центробежными насосами из нержавеющей стали с регулируемой частотой вращения электродвигателя и переменным регулятором.
Применение: полностью автоматическое водоснабжение и повышение давления в жилых, офисных и административных зданиях, гостиницах, больницах, торговых комплексах и различных промышленных объектах; перекачивание питьевой и хозяйственной воды, охлаждающей воды, воды для пожаротушения (за исключением установок пожаротушения согласно DIN14462) и других технических нужд, которая ни химически, ни механические не разрушает используемые материалы и не содержит абразивных и длинноволокнистых включений.
Гарантия 2 года.
Тип
Установка повышения давления с 2–4 параллельно включенными, нормальновсасывающими высоконапорными центробежными насосами из нержавеющей стали с регулируемой частотой вращения электродвигателя и переменным регулятором VR
Применение
- полностью автоматическое водоснабжение и повышение давления в жилых, офисных и административных зданиях, гостиницах, больницах, торговых комплексах и различных промышленных объектах;
- перекачивание питьевой и хозяйственной воды, охлаждающей воды, воды для пожаротушения (за исключением установок пожаротушения согласно DIN14462) и других технических нужд, которая ни химически, ни механические не разрушает используемые материалы и не содержит абразивных и длинноволокнистых включений
Обозначение
| Пример: | Wilo-COR-3 MVIE 406/VR |
| COR | Компактная установка повышения давления со встроенным регулятором частоты вращения |
| 3 | Число насосов |
| MVIE | Серия насосов |
| 4 | Номинальный объемный расход одинарного насоса [м3/ч] |
| 06 | Число секций одинарного насоса |
| VR | Блок регулирования; VR = регулятор Vario |
Особенности/преимущества продукции
- Прочная система благодаря применению высоконапорных центробежных насосов из нержавеющей стали серии MVIE со встроенными частотными преобразователями с воздушным охлаждением
- Чрезвычайно широкий диапазон регулирования
- Встроенная система распознавания сухого хода с автоматическим отключением при отсутствии воды в соответствии с мощностными характеристиками электроники регулирования электродвигателя
Технические характеристики
- Подключение к 3-фазной сети 400 В ± 10 %, 50 Гц; 3~380 В ±10 %, 60 Гц, в зависимости от типа также к 1-фазной сети 230 В, 50/60 Гц (другие исполнения по заказу)
- Температура перекачиваемой жидкости макс. 50 °C (по заказу 70 °C)
- Температура окружающей среды макс. 40 °C
- Рабочее давление 16 бар
- Входное давление 10 бар
- Номинальный внутренний диаметр для подсоединения со стороны конечного давления R 2" - DN 250
- Номинальный внутренний диаметр для подсоединения со стороны подвода R 2"- DN 250
- Диапазон частоты вращения 1200 - 3770 об/мин
- Класс защиты IP 54 (прибор управления VR)
- Предохранители A, AC 3 со стороны сети в соответствии с мощностью электродвигателя и предписаниями предприятия электроснабжения
- Допустимые перекачиваемые среды (другие среды по запросу):
- охлаждающая вода;
- питьевая и техническая вода;
- вода для пожаротушения
Оснащение/функции
- 2-4 насоса на установку серии MVIE с бесступенчатым регулированием посредством встроенного частотного преобразователя
- Детали, находящиеся в контакте с перекачиваемой жидкостью, устойчивы к коррозии
- Оцинкованная фундаментная рама с регулируемыми по высоте виброгасителями для звукоизоляции
- Запорная арматура на стороне всасывания и с напорной стороны каждого насоса
- Обратный клапан с напорной стороны
- Мембранный напорный бак 8 л, PN16, с напорной стороны
- Датчик давления со стороны отводящего трубопровода
- Манометр со стороны подводящего трубопровода, приобретается опционально
- Манометр со стороны отводящего трубопровода
- Предохранитель, срабатывающий при недостатке воды, приобретается опционально
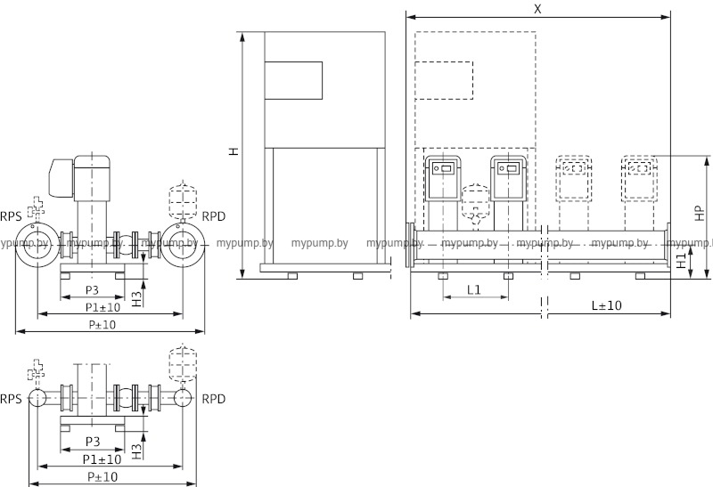
Описание/конструкция
- Фундаментная рама: оцинкованная с регулируемыми по высоте вибропоглощающими опорами, обеспечивающими хорошую изоляцию корпусного шума. Другие исполнения – по запросу.
- Разводка трубопроводов: полная разводка трубопроводов из нержавеющей стали, применяемая для подсоединения трубопроводов из любых материалов, используемых в оборудовании для зданий и сооружений; разводка трубопроводов рассчитана в соответствии с общей гидравлической мощностью установки повышения давления.
- Насосы: применяется от 2 до 4 параллельно подключенных насосов серий MVIE 4.., 8.. и MVIE 16... Частотные преобразователи с воздушным охлаждением, смонтированные на двигателе насоса, обеспечивают для каждого насоса данных серий бесступенчатый режим регулирования. Все детали этих насосов, контактирующие с перекачиваемой средой, выполнены из нержавеющей стали
- Арматура: каждый насос на стороне всасывания и с напорной стороны оснащен шаровой запорной арматурой со знаком технического контроля DVGW либо кольцевыми запорными клапанами и, с напорной стороны, клапаном обратного течения с допуском DVGW
- Мембранный напорный бак: 8 л/PN16 расположен со стороны конечного давления, снабжен мембраной из бутилового каучука, отвечающей требованиям закона о безопасности пищевых продуктов. В целях осмотра и проверки оснащен запорным шаровым краном, системой опорожнения и проточной арматурой согласно DIN 4807
- Датчик давления: от 4 до 20 мА, расположен со стороны конечного давления для задействования центрального регулятора Comfort-Vario
- Индикация давления: Со стороны конечного давления посредством манометра и дополнительно на алфавитно-цифровом ЖК-дисплее прибора управления Vario VR. Со стороны входного давления индикация давления осуществляется посредством манометра в качестве опции
- Регулятор: в серийном исполнении установка оснащается Vario?регулятором VR.
Материалы
MVIE 2.. до 16..-6
- Рабочие колеса и секции из нержавеющей стали 1.4301/1.4404 (MVI 16..?6 только из 1.4301)
- Корпус насоса из нержавеющей стали 1.4301/1.4404
- Вал из нержавеющей стали 1.4301 / 1.4404
- Уплотнение EPDM (EP 851)/FKM (Viton)
- Крышка корпуса из нержавеющей стали 1.4301/1.4404
- Нижняя часть корпуса из нержавеющей стали 1.4301/1.4404
- Скользящее торцевое уплотнение из графита/карбида вольфрама, SiC/графита
- Напорный кожух из нержавеющей стали 1.4301/1.4404
- Подшипники из карбида вольфрама
Начиная с MVIE 16..
- Рабочие колеса из нержавеющей стали 1.4301/1.4404
- Секции из нержавеющей стали 1.4301/1.4404
- Корпус насоса EN-GJL-250/1.4404
- Вал из нержавеющей стали 1.4057 / 1.4404
- Уплотнение EPDM (EP 851)/FKM (Viton)
- Крышка корпуса из нержавеющей стали 1.4301/1.4404
- Нижняя часть корпуса из нержавеющей стали 1.4301/1.4404
- Скользящее торцевое уплотнение из графита/карбида вольфрама, SiC/графита
- Напорный кожух из нержавеющей стали 1.4301/1.4404
- Подшипники из карбида вольфрама
Комплект поставки
- Монтируемая на заводе-изготовителе, проверенная на безотказность работы и герметичность, готовая к подключению установка повышения давления
- Упаковка
- Инструкция по монтажу и эксплуатации
Указание
Специальные исполнения - по запросу.
Дополнение серии COR?1 Helix VE.../VR
- особо эффективная гидравлика насоса с электродвигателями EFF1
- гидравлика всей системы с улучшенными показателями по потере давления
Указания по выбору и монтажу
Редукционный клапан
Колебания входного давления компенсируются посредством встроенной в каждый насос системы регулирования частоты вращения до тех пор, пока их амплитуда не превысит разности между заданным значением давления и нулевым напором одного насоса при минимальной частоте вращения (на частоте 20 или 25 Гц). Если амплитуда колебаний выше указанной разности давлений, то на входе установки необходим монтаж редукционного клапана
Устройство защитного отключения при перепаде напряжения
При установке устройств защитного отключения при перепаде напряжения в сочетании с частотными преобразователями необходимо учитывать, что только универсальная защита отключения соответствует стандартам DIN/VDE 0664
Входное давление
При выборе установки следует учитывать максимально допустимое входное давление (см. технические характеристики). Макс. входное давление рассчитывается как максимальное рабочее давление установки за вычетом макс. высоты подачи насоса при Q = 0
-
Основные:
- Wilo
- Германия
- г.Минск, пер.Липковский, д.32
- Поверхностный
- Водоснабжение
- Многонасосная установка
- 2
- 1
- Да
- 18
-
Габариты и Материалы:
- 91
- Нержавеющая сталь 1.4301 [AISI 304]
- Нержавеющая сталь 1.4301 [AISI 304]
- Нержавеющая сталь 1.4301 [AISI 304]
- Q1BE3GG
-
Гидравлические:
- Да
- 64
- 12
- , Питьевая вода, Подогретая вода, Вода для систем пожаротушения
- +5...+50 °C
- 16
- Да
-
Электрика:
- 1~230 V, 50/60 Гц
- 1,1
- 1200 - 3500
- Да
- От перекачиваемой среды
- Опционально
- IP 55
-
Подсоединение к трубопроводу:
- Резьбовое, Rp 2
- Rp 2
- Пока нет отзывов
Все технические характеристики предоставлены официальными источниками заводов-производителей и носят ознакомительный характер. Для получения более полной и точной информации просим обращаться к нашим специалистам.
info@mypump.by


